 
			

低氮燃氣導熱油鍋爐供熱系統的工作原理
低氮燃氣導熱油鍋爐供熱系統是以燃氣導熱油鍋爐為核心,各附屬設備、儀器儀表、用熱設備組成燃氣有機載熱體爐供熱系統。
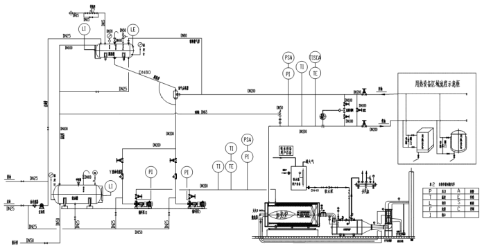
低氮燃氣導熱油鍋爐供熱系統的工作原理圖:
注入式工作原理圖
在以上原理框圖中:有機熱載體是由循環泵輸出—→低氮燃氣導熱油鍋爐—→熱用戶(即用熱設備)—→油氣分離器—→再進入循環油泵。這是一個循環管路,原理圖中是用粗黑線表示出來的,是主循環管路。在正常供熱時,有機熱載體就是沿著這樣一個環形循環管路,不斷循環流動,將熱能從有機熱載體爐送到用熱設備。其他部分如膨脹槽、儲油槽、注油泵等都是不可缺少的輔助設備,正常供熱時,它們都不參與有機熱載體的循環流動,但是它們在整個供熱管路中起著重要作用,是不可缺少的。
有機熱載體在較高的溫度下,一般都具有蒸發量小,飽和蒸汽壓力低的特點,從而使有機熱載體爐具有高溫、低壓、節能的特點。這些特點是以水作為熱載體的蒸汽鍋爐所不可能具備的。
低氮燃氣導熱油鍋爐供熱系統必然是一個循環管路系統,導熱油在爐內被加熱、升溫、再由循環泵經管道輸送到用熱設備,放出熱能,導熱油的溫度降低,再由回程管道輸回低氮燃氣導熱油鍋爐,再被加熱、升溫,再被輸送出去。如此往復循環,在正常工作條件下,導熱油不排放,自身也基本上不損耗,可長期運行。
低氮燃氣導熱油鍋爐供熱系統是依靠循環泵提供流動動力以液相強制循環。所以,在低氮燃氣導熱油鍋爐點火,燃料燃燒,加熱導熱油從而向用熱設備供熱時,循環泵不能關閉,否則,導熱油將停止循環,不但用熱設備得不到熱能,更為嚴重的是,爐內的導熱油將會超溫、分解、變質,在爐管內壁上形成“結焦”,這樣不但會使導熱油報廢,還會嚴重損壞爐體,甚至造成爐體報廢。
因此,低氮燃氣導熱油鍋爐供熱系統中,一般都應配備兩個循環泵,一個工作,一個備用,以保證循環系統在高溫時的可靠性。
當燃燒系統停止運行時,,須待爐溫降至不會使爐管內導熱油溫度回升或達到危險溫度時,方能停止循環泵的運行。

常州市上能鍋爐有限公司緊盯國家的產業政策,***制造以導熱油為介質的低氮燃氣導熱油鍋爐,其規格為(10-2000萬大卡)供熱溫度高達350℃。低氮燃氣導熱油鍋爐是常州市上能鍋爐有限公司***具優勢的產品(因我公司***早引進德國熱油爐生產技術)常州市上能鍋爐有限公司真誠與您攜手合作雙贏,共創輝煌
¨:請關注我公司的網站:www.xinyidafrp.cn www.rsdryl.com
www.czrsgl.com www.czsngl.com 聯系電話:0519-82052399