
常州市上能鍋爐有限公司專注設計制造導熱油加熱器,模溫機,電加熱導熱油爐,電熱導熱油爐聯系電話:13815029577
電加熱導熱油爐俗稱:模溫機,電熱導熱油爐等,是一種新型、安全、***節能,低壓(常壓下或較低壓力)并能提供高溫熱能的特種工業爐,以導熱油為熱載體,通過熱油泵使熱載體循環,將熱量傳遞給用熱設備,電加熱導熱油爐,是化工反應釜加溫的關鍵重要設備
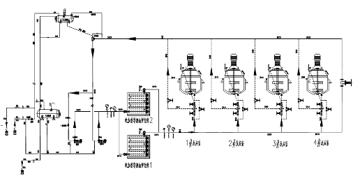
。電熱導熱油爐系統由防爆電加熱器、有機熱載體爐、反應釜、現場防爆操作箱、熱油泵、膨脹槽等組合成一個撬塊,用戶只僅需接入電源、介質的進出口管道及一些電氣接口即可使用。
一、電加熱導熱油爐的工作原理及用途:
電加熱導熱油爐是采用電熱方式,以導熱油為載熱體,利用循環油泵強制閉路液相循環將熱能輸送給用熱設備后,再返回電加熱導熱油爐爐體內加熱的一種直流式特種工業爐,可滿足生產流程中設定的工藝溫度以及高精度控溫的要求,是一種新型環保的熱能轉換設備,可廣泛用于電子、輕紡、化工、印刷、食品、包裝等行業,是電力富余和環保要求較高的地區理想的供熱設備。
二、電加熱導熱油爐主要由電加熱導熱油爐爐體主機、供熱系統,電器控制系統三大部份組成。
供熱系統的輔機由膨脹槽、貯油槽、熱油循環泵、注油泵、油過濾器、油氣分離器等組成。
電器控制系統由電器控制柜及其檢測、顯示儀表等組成。
三、電加熱導熱油爐主機介紹:
電加熱導熱油爐爐體主機為管架式方形結構,內部有電加熱器元件,電加熱器接線箱,電加熱導熱油爐爐體主機,型鋼框架,保溫材料,外包鐵皮構成。
為保證電加熱導熱油爐爐體主機合格,電加熱導熱油爐的設計圖紙經江蘇省級質量技術監察局審查通過,滿足該產品符合《有機熱載體爐安全技術監察規程》及鍋爐行業相關標準。
對電加熱導熱油爐爐體主機進行無損探傷檢查(目測檢查、射線檢查、超聲波檢查、磁粉檢查、液體滲透檢查、)按《ALHZ-CS157.11》標準進行氣密性試驗,產品經常州市質量技術監察局鍋檢科監檢通過,提供常州鍋檢所特檢院頌發的驗收合格證書。
四,電加熱導熱油爐電控柜控制系統介紹:
①:電加熱導熱油爐電控柜控制系統分為動力控制和儀表顯示控制兩部分。
1) 動力控制主要控制電加熱導熱油爐循環泵、各電加熱器設備的起動與停止,同時循環泵與電加熱器之間進行聯鎖控制(其中包掛熱油循環進油壓力低,出口壓力高及高位槽液位低的聯鎖控制及報警)以保證電加熱器的安全運行。
2) 儀表顯示控制采用檢測電加熱導熱油爐裝置內的溫控點,檢測各裝置內導熱油介質的溫度,控制調節電加熱器加溫,使其達到自動控制功能。
五、電加熱導熱油爐技術性能參數
常州市上能鍋爐有限公司專注設計制造電加熱導熱油爐,電加熱熔鹽爐,聯系電話:13815029577
本公司爭對當前的化工企業用的燃氣導熱油爐使用成本高,環保要求高,導致一些化工企業經營困難,為此我公司專注為化工企業設計制造電加熱導熱油爐,電加熱熔鹽爐,供化工企業的反應釜,換熱設備供熱。
一個反應釜配一個電加熱導熱油爐或電加熱熔鹽爐,根據工藝溫度需要確定。


一、電加熱導熱油爐的工作原理及用途:
電加熱導熱油爐是采用電熱方式,以導熱油為載熱體,利用循環油泵強制閉路液相循環將熱能輸送給用熱設備后,再返回電加熱導熱油爐爐體內加熱的一種直流式特種工業爐,可滿足生產流程中設定的工藝溫度以及高精度控溫的要求,是一種新型環保的熱能轉換設備,可廣泛用于電子、輕紡、化工、印刷、食品、包裝等行業,是電力富余和環保要求較高的地區理想的供熱設備。
二、電加熱導熱油爐主要由電加熱導熱油爐爐體主機、供熱系統,電器控制系統三大部份組成。
供熱系統的輔機由膨脹槽、貯油槽、熱油循環泵、注油泵、油過濾器、油氣分離器等組成。
電器控制系統由電器控制柜及其檢測、顯示儀表等組成。
三、電加熱導熱油爐主機介紹:


電加熱導熱油爐爐體主機為管架式方形結構,內部有電加熱器元件,電加熱器接線箱,電加熱導熱油爐爐體主機,型鋼框架,保溫材料,外包鐵皮構成。
為保證電加熱導熱油爐爐體主機合格,電加熱導熱油爐的設計圖紙經江蘇省級質量技術監察局審查通過,滿足該產品符合《有機熱載體爐安全技術監察規程》及鍋爐行業相關標準。
對電加熱導熱油爐爐體主機進行無損探傷檢查(目測檢查、射線檢查、超聲波檢查、磁粉檢查、液體滲透檢查、)按《ALHZ-CS157.11》標準進行氣密性試驗,產品經常州市質量技術監察局鍋檢科監檢通過,提供常州鍋檢所特檢院頌發的驗收合格證書。
①:電加熱導熱油爐電控柜控制系統分為動力控制和儀表顯示控制兩部分。
1) 動力控制主要控制電加熱導熱油爐循環泵、各電加熱器設備的起動與停止,同時循環泵與電加熱器之間進行聯鎖控制(其中包掛熱油循環進油壓力低,出口壓力高及高位槽液位低的聯鎖控制及報警)以保證電加熱器的安全運行。
2) 儀表顯示控制采用檢測電加熱導熱油爐裝置內的溫控點,檢測各裝置內導熱油介質的溫度,控制調節電加熱器加溫,使其達到自動控制功能。
五、電加熱導熱油爐技術性能參數
型號 參數 | QXD24 | QXD36 | QXD48 | QXD72 | QXD120 | QXD150 | QXD180 | QXD240 | QXD300 | QXD360 | QXD480 | QXD600 | QXD720 | QXD960 | |
額定功率 kW | 24 | 36 | 48 | 72 | 120 | 150 | 180 | 240 | 300 | 360 | 480 | 600 | 720 | 960 | |
設計壓力 MPa | 0.9 | 0.9 | 0.6 | 0.9 | 0.9 | 0.68 | 0.68 | 0.9 | 0.9 | 0.9 | 0.9 | 0.9 | 0.9 | 0.9 | |
介質***高溫度 ℃ | 320 | 320 | 320 | 320 | 320 | 320 | 320 | 320 | 320 | 320 | 320 | 320 | 320 | 320 | |
爐內容油量 m3 | 0.02 | 0.02 | 0.03 | 0.05 | 0.08 | 0.12 | 0.12 | 0.1 | 0.2 | 0.2 | 0.25 | 0.31 | 0.4 | 0.4 | |
熱效率 | >90% | >90% | >90% | >90% | >90% | >90% | >90% | >90% | >90% | >90% | >90% | >90% | >90% | >90% | |
熱油泵額定流量 m3/h | 8 | 8 | 8 | 12.5 | 12.5 | 32 | 32 | 32 | 40 | 40 | 60 | 80 | 60 | 80 | |
配管連接口徑 DN | 50 | 50 | 50 | 50 | 50 | 50 | 50 | 50 | 80 | 80 | 100 | ||||